drawings-models
From Vivid Unit
This is the approved revision of this page, as well as being the most recent.
Download Mechanical Drawings / 3D Models
You can download mechanical drawings for Vivid Unit here.
VividUnit_V1.3_mechanical_drawing.pdf (243 KB)
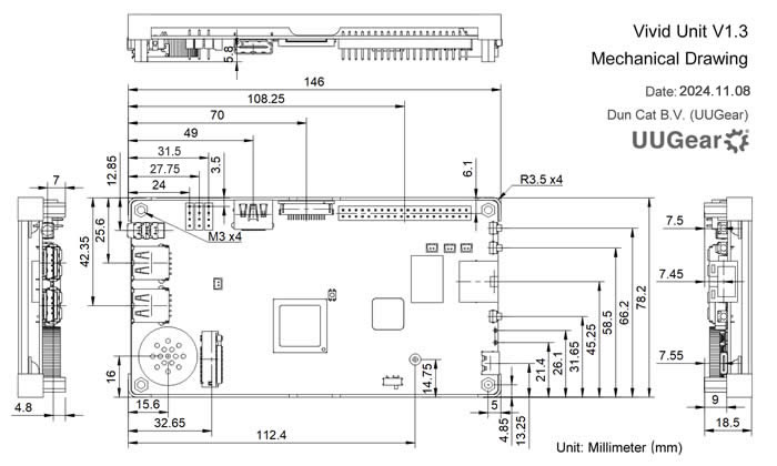
![]() |
Vivid Unit Mechanical Drawing Preview |
You can find below a simplified 3D model, which only includes those important details. It is suggested to use simplified model when it is surficient, because it can be processed way much faster.
VividUnit_V1.3_3D_simplified.step (49 MB)
![]() |
Vivid Unit Simplified 3D Model |
If you do need a 3D model with full details, then you can download this one.
VividUnit_V1.3_3D_detailed.step (100 MB)
![]() |
Vivid Unit Detailed 3D Model |



